yandex-metrika

Емкость горизонтальная 3000л. Пластиковая

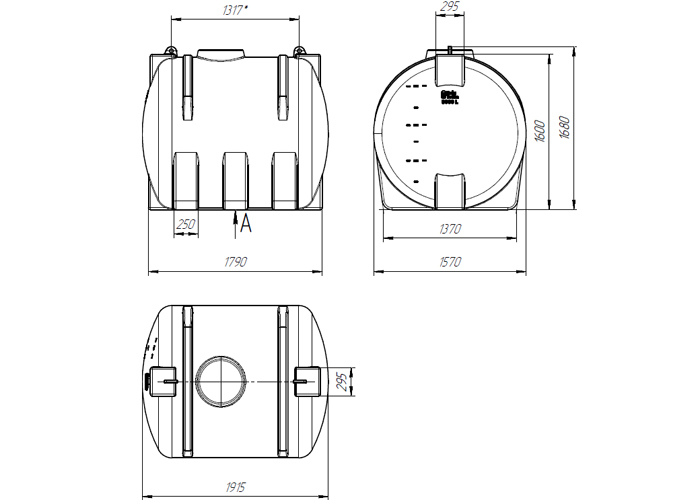
Горизонтальная пластиковая емкость 3000 литров Универсальная емкость 3000 литров для транспортировки и хранения жидкостей Схема и размры емкости 3000 литров из пластика, горизонтального исполнения

Представляем вам пластиковую емкость объемом 3000 литров, которая идеально подходит для хранения и накопления питьевой воды, топлива, химически-активных жидкостей и других продуктов.
Эта горизонтальная емкость синего цвета изготовлена из сертифицированного материала, который не горюч и устойчив к УФ-лучам, что делает ее безопасной для хранения пищевых продуктов. Технологичная форма емкости обеспечивает безопасную транспортировку содержимого. Емкость имеет цельнолитой бесшовный корпус и устойчива благодаря специальной форме опорных ножек.
Эта емкость может хранить различные продукты, включая пищевые продукты различной консистенции, технические жидкости, сыпучие, порошкообразные, гранулированные, вязкие и пастообразные продукты, а также агрессивные вещества, такие как удобрения, лаки и краски, машинное масло, дизельное топливо и другие.
Возможна комплектация фитингами и запорной арматурой. Емкость не требует специального обслуживания, и она может проходить в дверной проем помещений.
Горизонтальная емкость 3000л имеет резьбовую крышку с дыхательным клапаном, который обеспечивает абсолютную герметичность и сохранность находящихся в ней грузов.
Емкость также может быть оборудована указателем уровня жидкости, механическим или электрическим поплавковым клапаном, различными отводами и специальными площадками для удобства эксплуатации и обслуживания.
Эта многофункциональная и универсальная емкость идеально подходит для использования в химической промышленности, и ее высокая химическая стойкость гарантирует безопасность эксплуатации с различными веществами.
Мы также предлагаем возможность организовать доставку бака до потребителя, чтобы обеспечить нашим клиентам максимальный комфорт и удобство при покупке.

Характеристики:
Объем: 3000 л
Длина: 1915 мм
Ширина: 1570 мм
Высота: 1645 мм
Диаметр горловины: 300/420 мм
Таблица химической стойкости полиэтилена:
(R - стойкий, LR - ограниченно стойкий, NR - нестойкий)
Наименование продукта 23°C 60°C
Вода R R
Соляная кислота R R
Азотная кислота (70%) R LR
Серная кислота (70%) R LR
Ртуть R R
Полная таблица химической стойкости полиэтилена