yandex-metrika

Емкость пластиковая вертикальная Танк 1500л

Пластиковая вертикальная емкость Танк 1500 литров Схема вертикальной прямоугольной пластиковой емкости 1500л Прямоугольная емкость Танк, выполненная из полиэтилена, объемом 1.5 куб. м. Бак из полиэтилена вертикальный узкий(проходит в дверные проемы) 1500 литров Вертикальный узкий резевуар объемом 1500 литров из полиэтлена Фото пластикового бака Танк 1500л (узкая сторона) Фронтальный вид емкости вертикальной узкой 1500л Полиэтиленовый узкий резервуар вертикального исполнения 1500л (фото вживую) Фотография синей прямоугольной емкости Танк 1500 литров

Прямоугольный резервуар Танк, изготовленный из полиэтилена, предназначен для стационарного хранения различных жидкостей или сыпучих материалов. Вместимость бака в 1500 литров обеспечивает достаточное пространство для хранения питьевой воды, продуктов питания, нефтепродуктов и химических веществ (см. таблицу "Химическая стойкость").

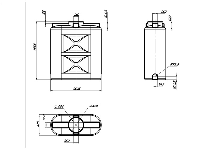
Благодаря компактным размерам (длина 1605 мм, ширина 670 мм, высота 1838 мм) и узкой форме, резервуар свободно проходит через стандартные дверные проемы, что облегчает его транспортировку и установку.

Емкость обладает прочной конструкцией и высокой надежностью, что гарантирует продолжительность ее использования на протяжении многих лет. Эксплуатация допускается в широком температурном диапазоне от -40°C до +50°C.

Бак поставляется с крышкой, оснащенной отверстием для дыхательного клапана, обеспечивающим правильную циркуляцию воздуха и предотвращающим возможные проблемы при хранении.

Компания АЛСИД может обеспечить установку дополнительного оборудования или отводов, что обеспечивает большую гибкость использования и возможность выбора конфигурации под ваши личные требования.

Мы гарантируем доставку емкости по всей России, чтобы вы могли получить ее в удобном для вас месте.

Характеристики:
Объем: 1500 л
Длина: 1605 мм
Ширина: 670 мм
Высота: 1838 мм
Диаметр горловины: 456 мм
Таблица химической стойкости полиэтилена:
(R - стойкий, LR - ограниченно стойкий, NR - нестойкий)
Наименование продукта 23°C 60°C
Вода R R
Соляная кислота R R
Азотная кислота (70%) R LR
Серная кислота (70%) R LR
Ртуть R R
Полная таблица химической стойкости полиэтилена